Bluetooth Music Player And Speaker Circuit Diagram When building a Bluetooth circuit, always prioritize safety and precaution. Before powering up, double-check all connections to prevent any short circuits. It is essential to use the correct voltage and current levels for all components to avoid damaging your circuit. Additionally, make sure to work in a dry area and avoid any conductive With a Bluetooth Audio Receiver circuit, it's now easier than ever! Bluetooth audio receivers are the perfect way to wirelessly stream sound from all of your favorite devices, including cell phones, tablets, and computers, to your home or office sound system. This wireless technology is quickly becoming the go-to option for music lovers Solder to wires on the L and R pads of the audio jack and then connect them to the outputs of your bluetooth module. In my case as you can see in the picture, they are connected to the output of an operational amplifier, but that was because i realized that the audio sounds better there testing on different places in the circuit board that I thought where audio signal following the copper

Twitter: https://twitter.com/GreatScottLabFacebook: https://www.facebook.com/greatscottlabMore project info on Instructables: http://www.instructables.com/id

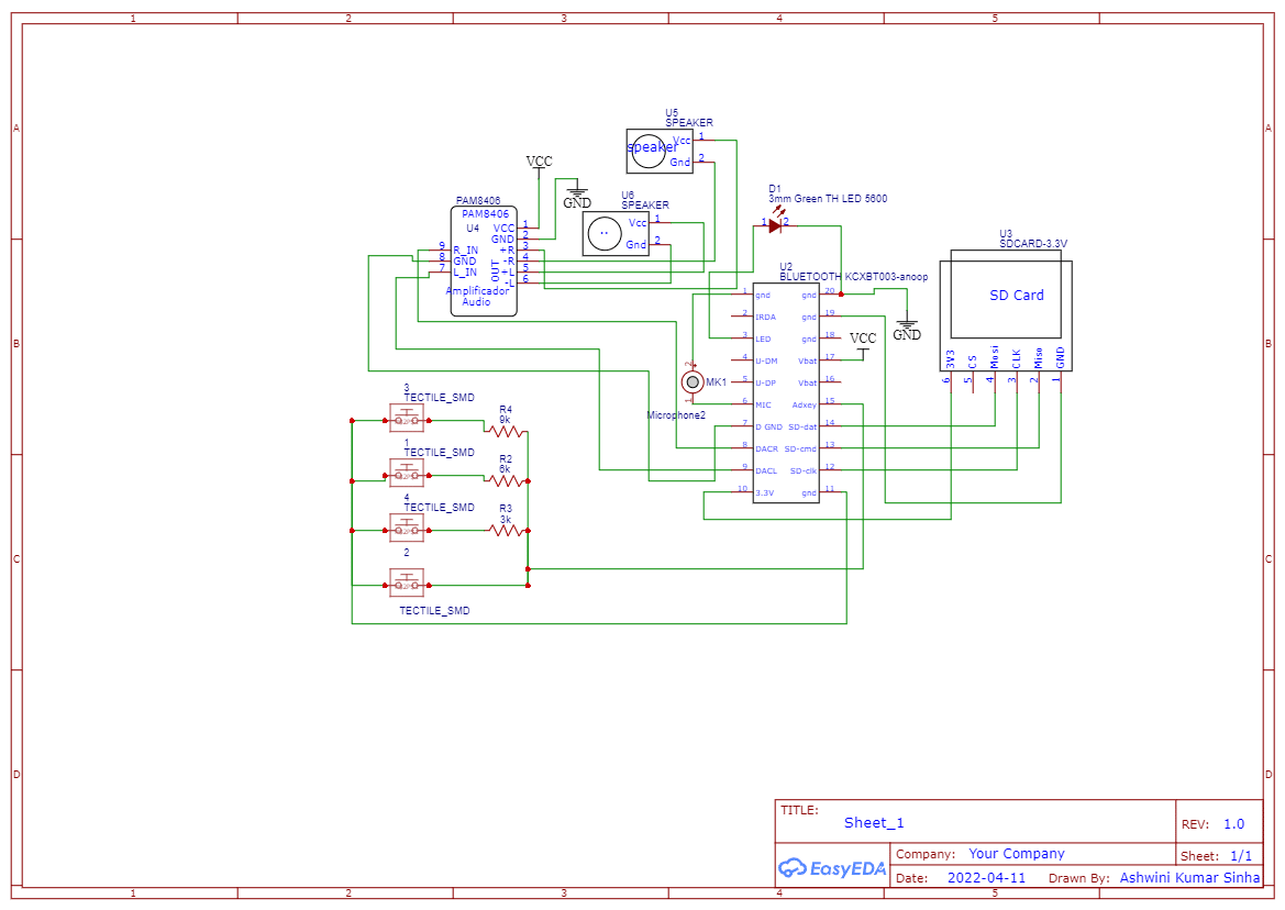
Step Instructions On Build Your Own ... Circuit Diagram
Step-by-Step Guide to Building a DIY Bluetooth Speaker! Now that you have the components and tools ready, let's walk through the step-by-step process of building your DIY Bluetooth speaker: Step 1: Planning and Design. Begin by planning the design and specifications of your speaker. Consider factors like the desired size, shape, and aesthetics. The board can work on Lithium-ion/Li-Po or Lead Acid battery, which is used to make the device portable. Its design makes it easy to implement the module for projects that are handy, cheap, and provide High Sound Quality. You can build your own DIY Bluetooth Music Player using Audio Amplifier to use at home/office, or while traveling.

1. This wireless Bluetooth stereo audio system based on a Class D amplifier uses a Bluetooth headset and external speakers. The output power requirement is 20 W RMS (10 W RMS per channel DIY Tough Bluetooth Boombox (Lasts 20hrs!): Get ready to build a tough & rugged boombox! "RaveBOX (v1.0)" can charge USB devices, play MP3s and tune to FM stations! It also comes with an IR remote offering better convenience. The boombox gives action sports and outdoor enthusiasts 18 hourโฆ Overall, building a Bluetooth audio amplifier using a circuit diagram can be a rewarding DIY project for audio enthusiasts. It allows individuals to customize their audio setup and enjoy wireless music streaming with high-quality sound. Audio input test: Connect an audio source, such as a music player, to the amplifier circuit's audio

Build Your Own Bluetooth Audio Receiver : 6 Steps Circuit Diagram
In this project I will show you how I "fused" a dirt cheap bluetooth music receiver with an old speaker of mine. The main focus will be on designing a low cost audio amplifier circuit around the LM386 and the NE5534. The bluetooth receiver costs 4,5$ and the audio amp 3$. So you can call this low budget.
